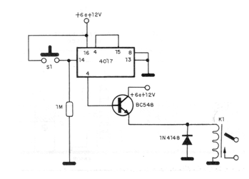
This circuit uses a pressure switch to turn a relay on or off. The supply must be 6 or 12 V depending on the relay used. The cable to the control switch must be short to avoid noise and ringing problems.

This circuit uses a pressure switch to turn a relay on or off. The supply must be 6 or 12 V depending on the relay used. The cable to the control switch must be short to avoid noise and ringing problems.
