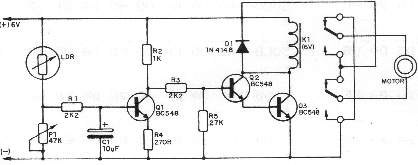
This circuit makes it possible to reverse the direction of a DC motor through a relay controlled by a beam of light. The trigger point is adjusted in P1. The relay is 6 V which is the voltage used to supply the circuit. We found this circuit in a 1987 technical documentation.




