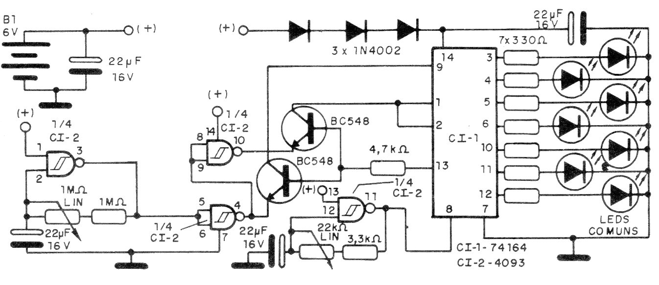
This sequential light effect was obtained in a 1992 documentation, but it can be easily assembled today, as the components used are common. Effect adjustments are made in two potentiometers and LEDs are common in any color. The supply can be done with voltages from 6 to 9 V.




