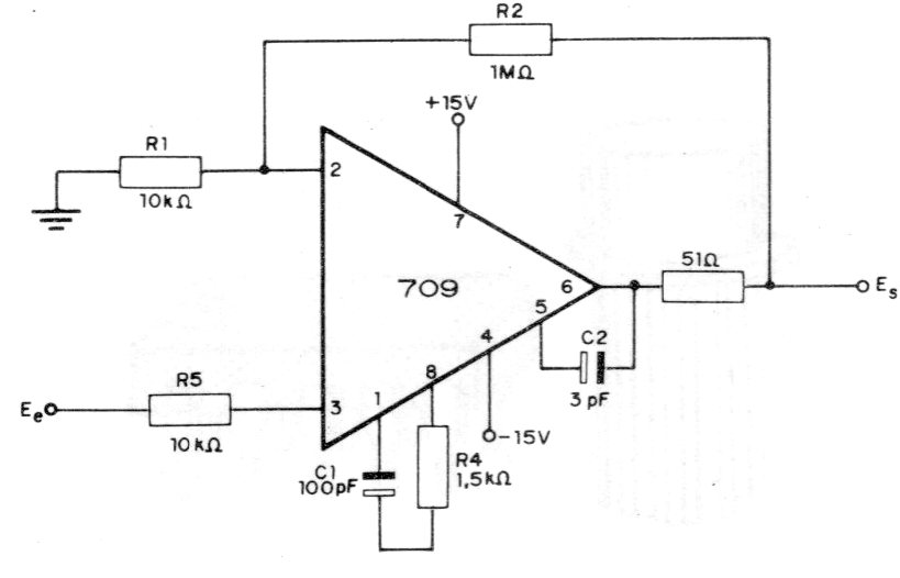
This circuit from an old documentation uses an operational amplifier that is no longer used. The configuration requires a symmetrical source, but equivalent operational amplifiers can be used. The gain is given by the relationship between R2 and R1 and can be changed by changing R2.




