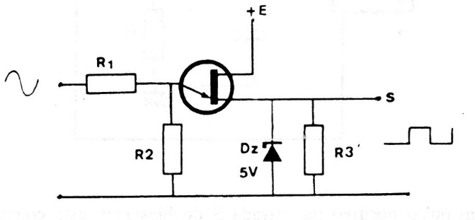
This circuit produces rectangular signals from a sinusoidal input. The circuit uses a unijunction transistor and can be supplied with voltages from 5 V according to the input voltage. The output is fixed at 5 V by the zener which allows the use of the circuit in an input shield for microcontrollers.




