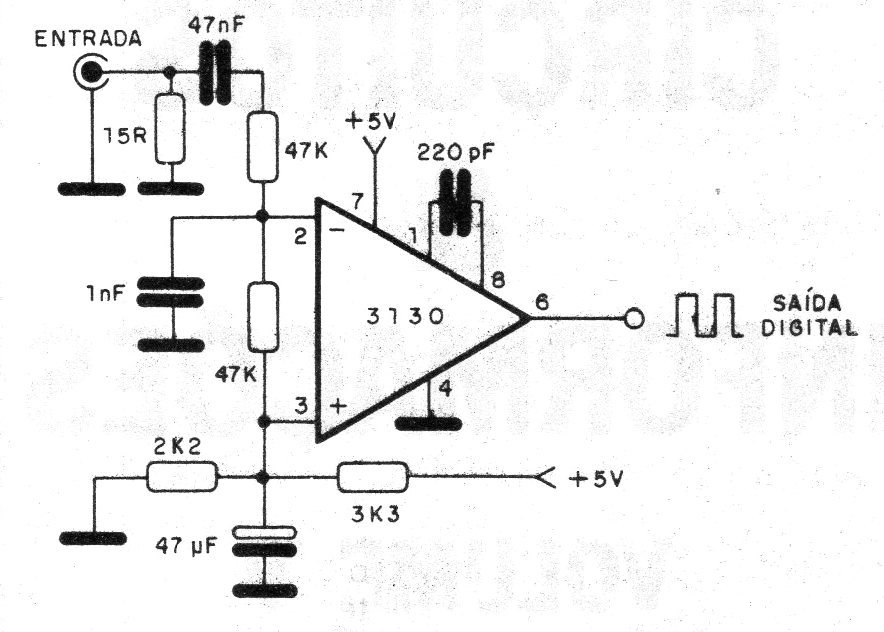
This circuit is connected between the phone output of a cassette recorder and the input of a microcomputer, for the recovery of signals recorded on tape (programs). The existence of an RC filter at the entrance helps to eliminate noise and hum from the network, providing an excellent recovery for the signal. It is not necessary to use a symmetric power supply.




