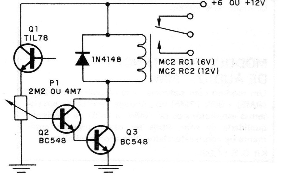
The circuit shown in the figure is a more sensitive version of the previous one (CB16105E). Two transistors form a Darlington pair, which allows to operate at much lower levels of illumination. This circuit can be used in place of the previous one if the lighting levels in which the trigger is desired are insufficient to activate that version. The components are the same, with only one more transistor appearing, which can be any general purpose, such as the BC548. The supply can also be done with voltages of 6 or 12 V, depending on the relay used.




