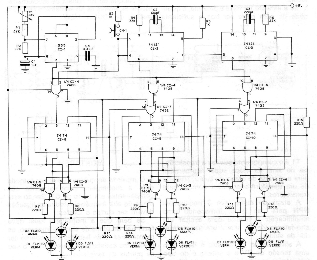
For those who like electronic games, have good experience in the design of printed circuit boards and know how to work with integrated devices, here's something interesting. It is an electronic version of the traditional slot game, very common in casinos. In this game, we have a "machine" in which the player first inserts a chip. Then, this same player pulls a lever that starts a random process in which fruit figures follow each other on a display. According to the combination of figures that is obtained at the end of the process, the player can win a prize that consists of the return of a certain amount of chips.




