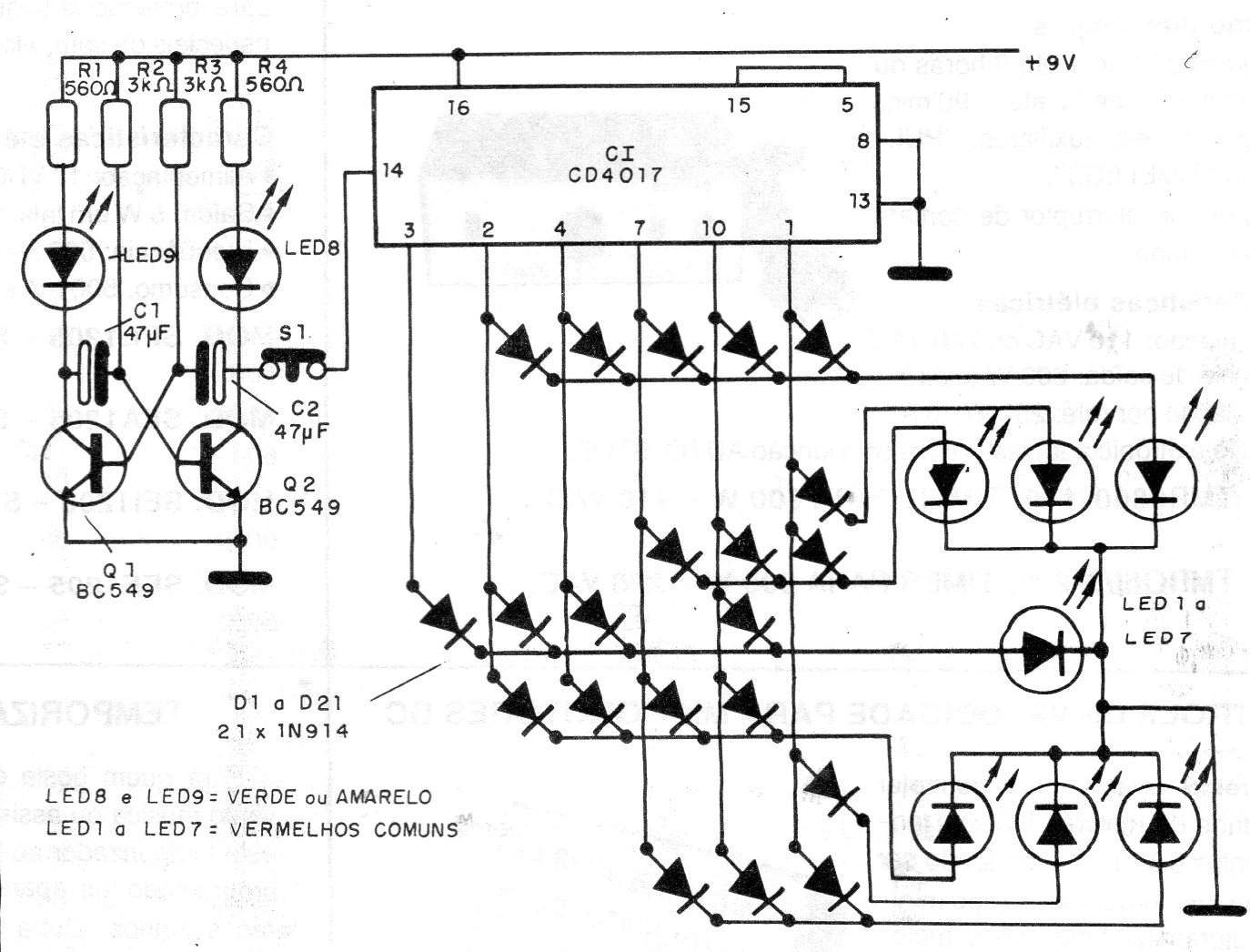
We found this circuit in a 1992 documentation. It can still be easily assembled today, as the components used are common. In it we have a configuration of LEDs that mimics the faces of a die, which gives it greater realism the power is made by 9 V battery or source.




