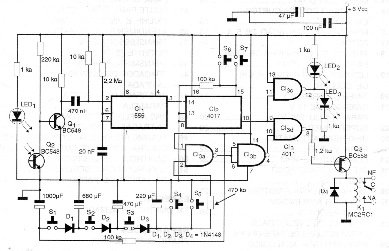
This circuit is from a 1997 publication. In it, the circuit uses a light emitter that points to a phototransistor. The transistor remains in the cut when illuminated. At the pass of the card, the transistor Q1 conducts sending a pulse to the monostable. Capacitor C allows one pulse to pass at a time. By controlling the incidence of light, we can control the pulses generated by activating the CI and thus the relay that releases the circuit.




