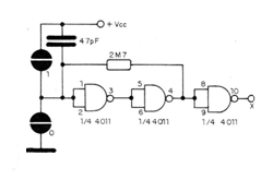
The bistable configuration in the figure can be used to turn a device on and off, or to produce a command pulse under the same conditions. Three of the 4 two-input NAND gates are used, and eventually the fourth if an inversion of action is desired. The capacitor and the resistor are important, because while the first determines noise immunity and the speed of action, the second determines the trigger characteristics. We remind that for the triggering of loads of currents a little high it is necessary to use an amplifier stage. One application is like a shield for microcontrollers.




