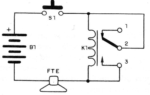
This circuit, already presented in other occasions, takes advantage of the oscillations of the contacts of a relay to generate a pulsating current in a speaker. The result is the production of a strong sound. You can change the frequency with a capacitor from 100 nF to 1 uF in parallel with the relay. The supply must be made according to the voltage of the relay.




