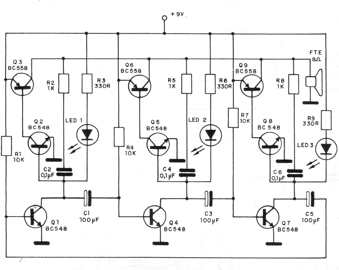
We found this circuit of light and sound effects in a 1987 publication. The sounds are reproduced by a small speaker and the light effects given by 3 LEDs. The frequency of effects can be modified by changing electrolyte values. The circuit can be powered by voltages from 6 to 12 V, the original one being 9 V.




