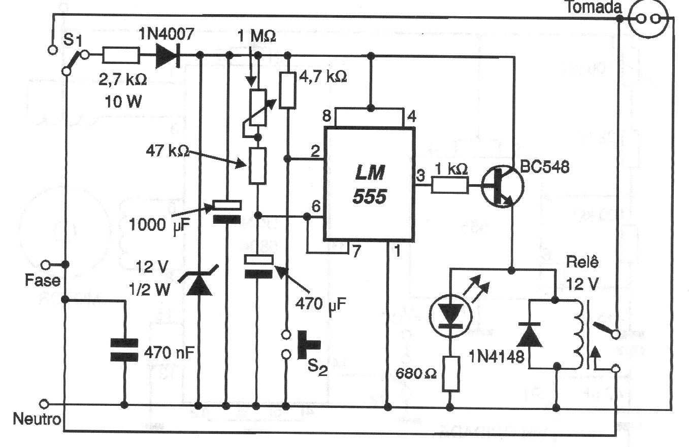
This circuit intermittently drives a fan at adjustable intervals between 1 and 10 minutes. The circuit uses a relay, so there is no problem as to the type of motor the fan uses and other devices, as heaters can be controlled. The current, of course, must be within the capacity of the relay contacts.




