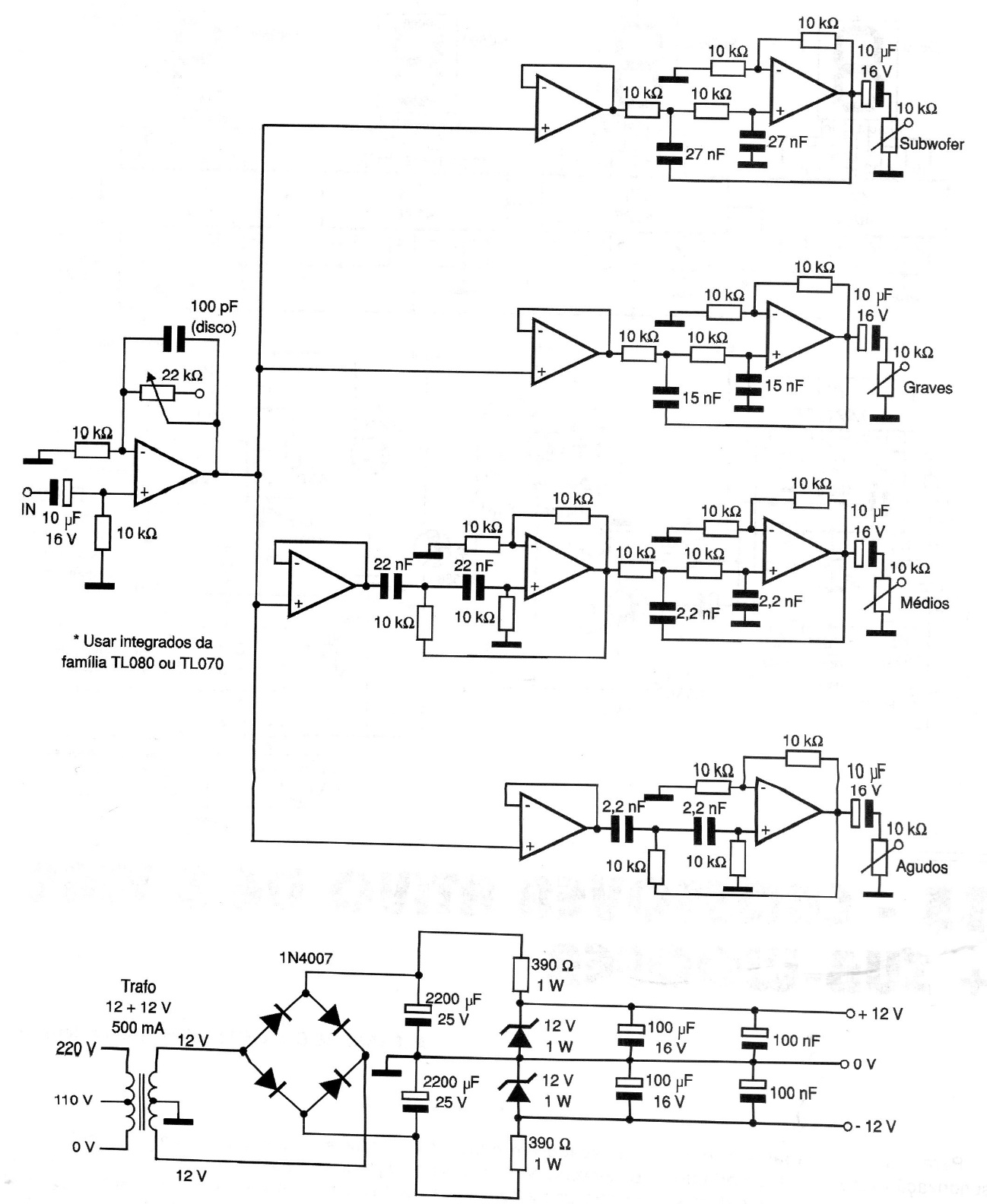
We found this circuit in a 2000 documentation. The operational amplifiers can be TL070 or equivalent. Special care must be taken with the layout of the plate and shielding of cables to avoid taking up humming.
We found this circuit in a 2000 documentation. The operational amplifiers can be TL070 or equivalent. Special care must be taken with the layout of the plate and shielding of cables to avoid taking up humming.