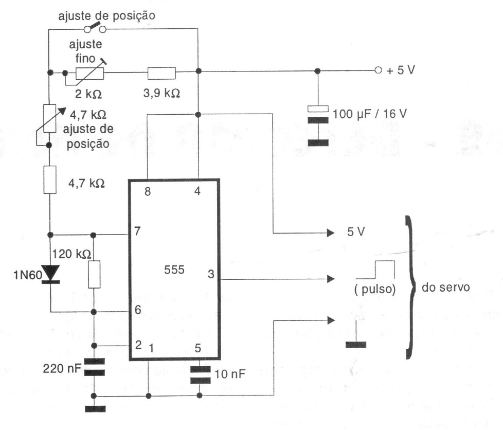
This simple circuit allows you to control remote control servos that operate with pulses. The circuit is powered by 5 V and has a central position adjustment of the servo.
This filters blocks radio interference or noise coming from the AC Power line. Noise such as the...
Found in a 90s Popular Electronics, this circuit triggers a relay in case of overvoltage. Can be used as a...
We found this sophisticated home alarm in a 1994 documentation. The circuit supports sensors of...