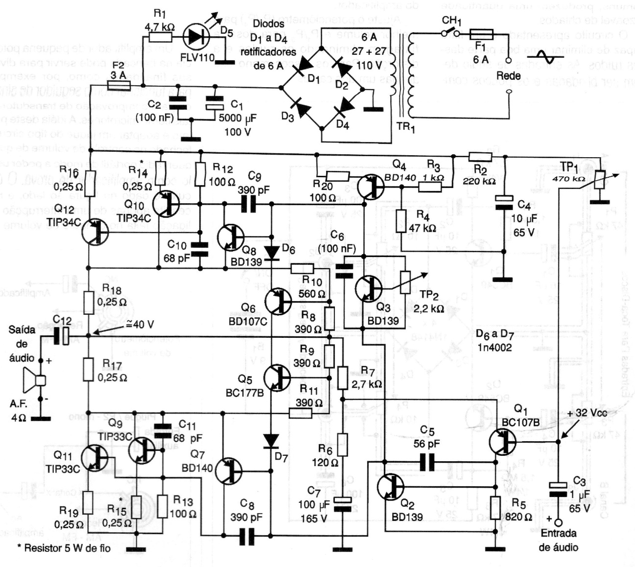
This high-power amplifier was found in 2001 documentation. The output transistors must be equipped with excellent heat sinks. The high current tracks on the printed circuit board must be wide. TP2 and TP1 must be adjusted to the lowest resting current that results in distortion-free reproduction.




