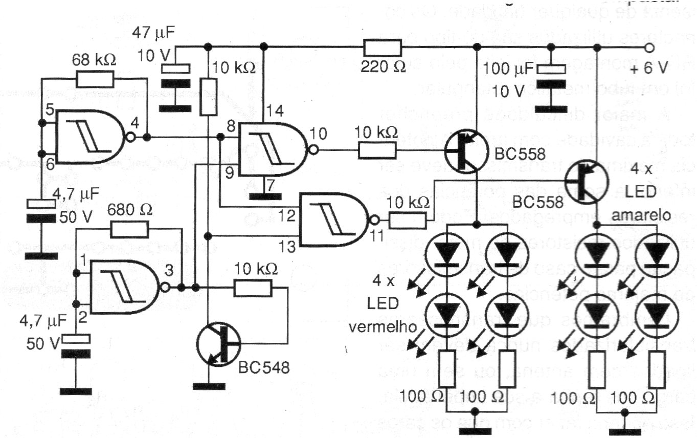
Many people currently use the bicycle as a means of transportation and leisure in large cities. However, unfortunately still, for several reasons, there are few public roads that have cycle paths and with that cyclists end up sharing the lane with larger vehicles. The simple circuit presented allows to alert, through a light signal, the presence of a cyclist and his bicycle. For this purpose, four high-brightness LEDs are used, which are already quite common in our market and which, especially at night, allow viewing from a good distance.




