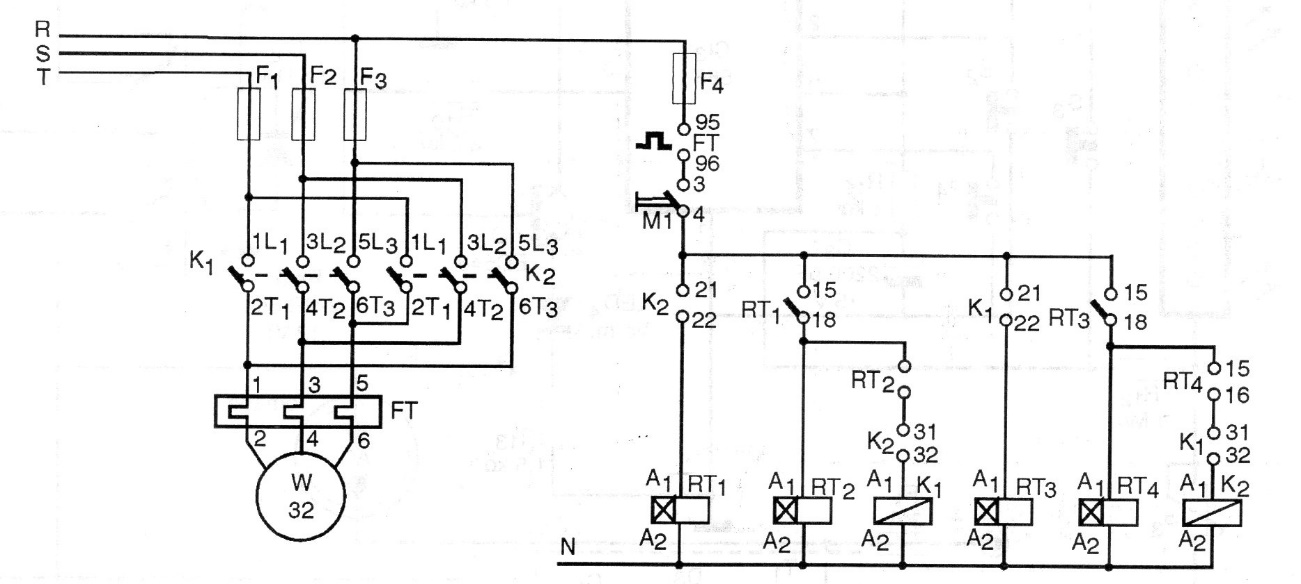
This circuit for three-phase motors was found in a 1997 documentation. The circuit reverses the rotation of the motor whenever necessary and can be used in several types of automatisms. The circuit is based on timers and other electrical resources.
This circuit for three-phase motors was found in a 1997 documentation. The circuit reverses the rotation of the motor whenever necessary and can be used in several types of automatisms. The circuit is based on timers and other electrical resources.