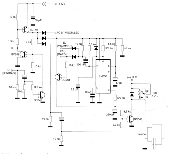
The 1998 documentation circuit has two blocks. One of them arms and disarms a monostable circuit that has the trigger function. The other is the alarm itself which is based on a 555 controlling a relay. The circuit was designed for 12 V relays, this being its supply.




