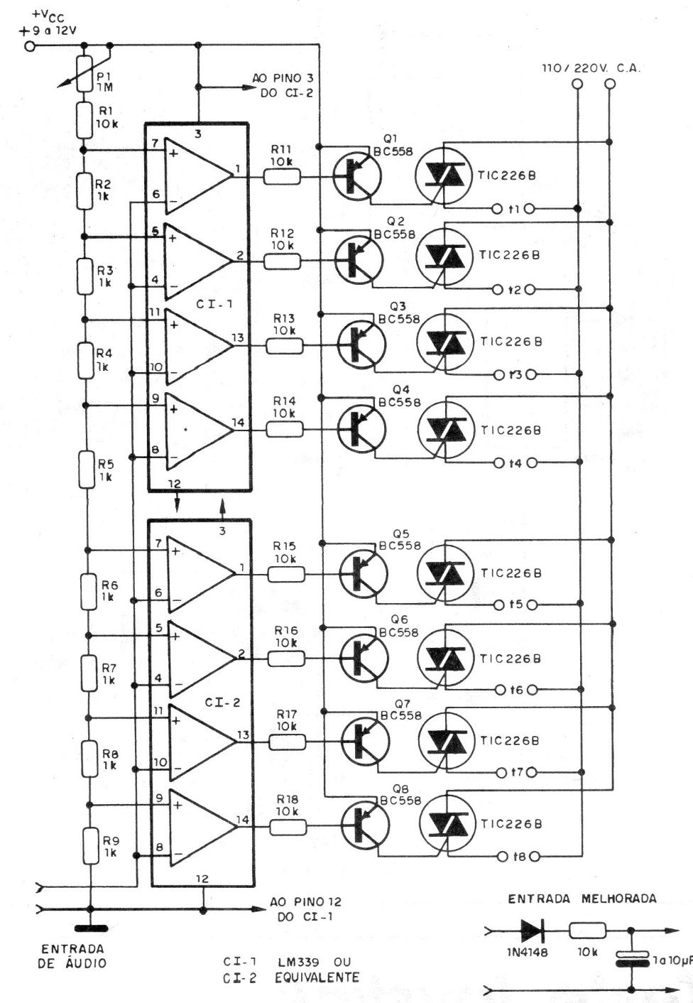
This circuit triggers three incandescent light bulbs following the audio signal applied to its input. The triacs must be equipped with heat sinks and the circuit does not work with other types of lamps. The adjustment of the actuation is done in the potentiometer. Note that the circuit is not insulated for the input signal.




