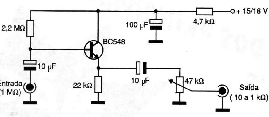
This circuit, already explored in other applications on this site, allows using a high impedance source, such as a microphone, in a device that has a low impedance input. The input impedance is 1 M ohms, and the supply must be made with voltages from 12 to 15 V. The drained current is very low.




