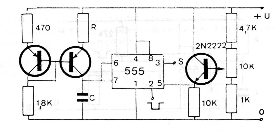
This circuit is a variation of the previous one (CIR10372) with a feature that allows the constant charge of the capacitor. In this way, the voltage in C rises linearly during the charging process in monostable operation. Power voltage can be between 5 and 15 V.




