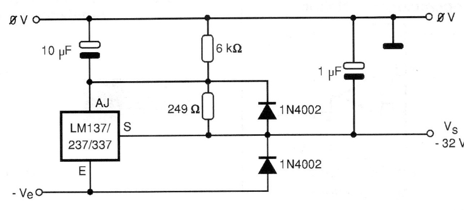
This circuit is the conventional configuration of a negative regulator for a current up to 1 A and voltages up to 32 V. The integrated circuit must be mounted on a heat sink and the output voltage is given by the relationship of values between the resistors in the adjustment terminal.




