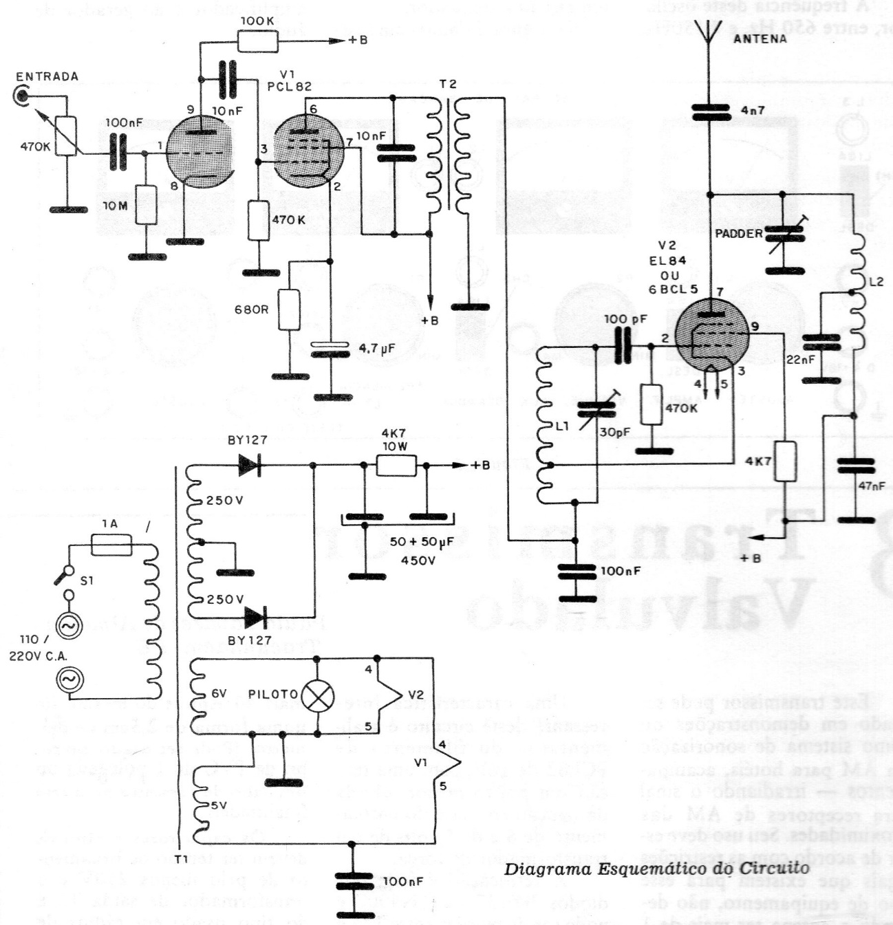
This medium wave transmitter uses two tubes and has a good range. L1 is formed by 30 + 70 turns of wire 28 in a 2.5 cm PVC tube and L2 has 50 + 50 turns of wire 28 in a 2.5 cm PVC tube. The padder can be replaced with a common variable. The antenna is a stretched wire from 3 to 10 meters in length. The modulation transformer can be a small transformer of 110 x 12 V x 200 at 500 mA.




