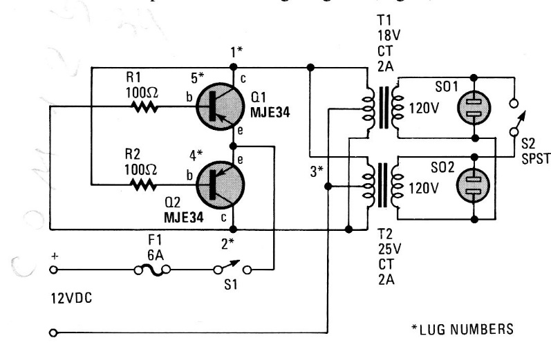
This circuit was found in an Electronics Now of 1988. The circuit is still current, and the power is around 40 W. See that the transformers can be connected in parallel when the load is greater. The fuse is very important to protect the circuit and the transistors must be equipped with excellent heat sinks.




