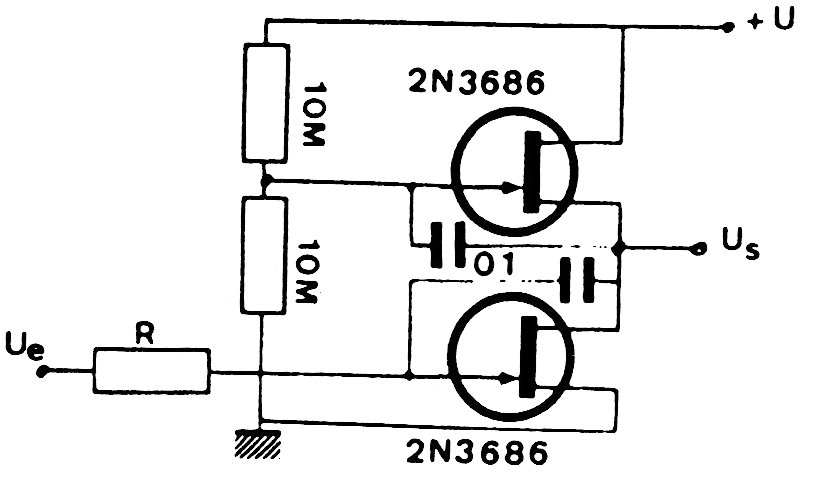
This integrator circuit uses the junction FETs which can also be the BF245 or MPF102. The integration constant depends on the capacitors and resistor R. The supply voltage depends on the application and can typically be between 1.5 and 12 V.
This integrator circuit uses the junction FETs which can also be the BF245 or MPF102. The integration constant depends on the capacitors and resistor R. The supply voltage depends on the application and can typically be between 1.5 and 12 V.