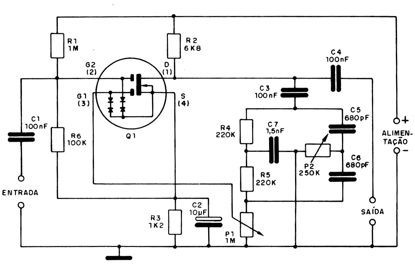
This interesting circuit lets frequencies centralized in a value given by the components pass, as shown in the table next to the diagram. The MOSFET used is of the common type, and practically any similar one with gate protection and double gate can be used.




