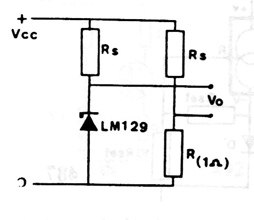
The circuit next to a French publication from the 1980s serves as a reference for fluctuating voltage. The resistors have values that depend on the application, typically ranging from 330 ohms to 1k.

The circuit next to a French publication from the 1980s serves as a reference for fluctuating voltage. The resistors have values that depend on the application, typically ranging from 330 ohms to 1k.
