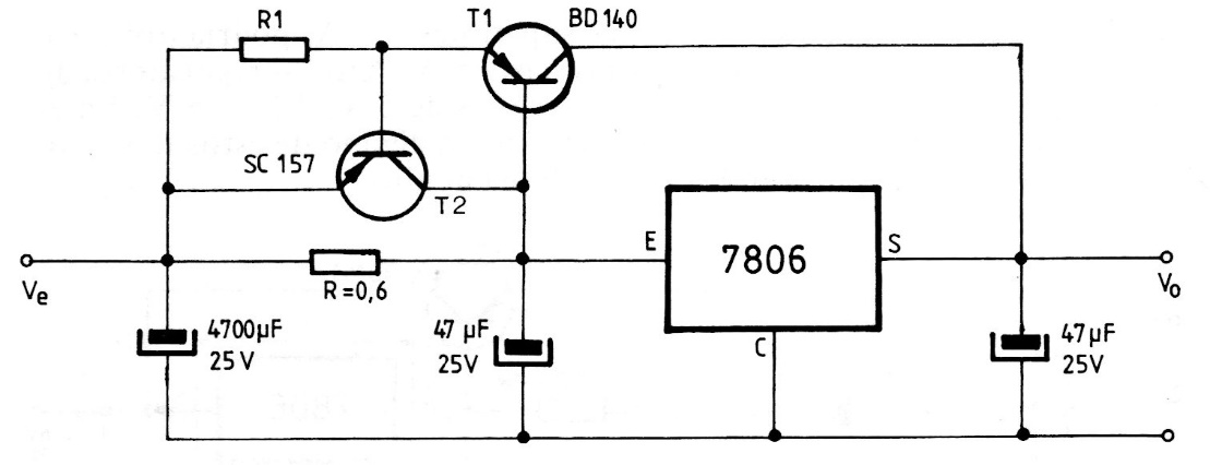
This circuit includes a protection system for the previous circuit (CB19302E) in case of a short circuit at the output. The transistor can be the BC557 and both the integrated and T1 must be mounted on heat sinks. The input voltage must be 2 V higher than that desired at the output.




