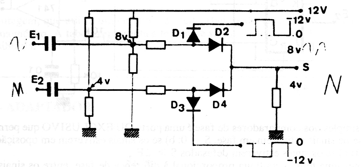
This configuration for switching signals uses only common general-purpose diodes such as 1N4148. The resistors depend on the application having typical values between 1 k and 10 k. The circuit is for small signals.
This configuration for switching signals uses only common general-purpose diodes such as 1N4148. The resistors depend on the application having typical values between 1 k and 10 k. The circuit is for small signals.