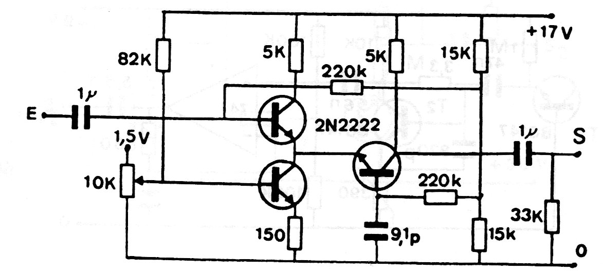
This volume control by direct voltage makes it possible to use a remote potentiometer to control the volume of an audio equipment. The circuit is from a documentation from the 70s and the power can be removed from the amplifier with which it must work.




