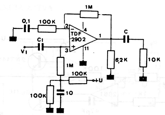
This circuit was obtained in an old European documentation. The integrated circuit used is uncommon today, but the configuration is valid for other operators. Note that the font is not symmetric. Its tension depends on the operational and the application.




