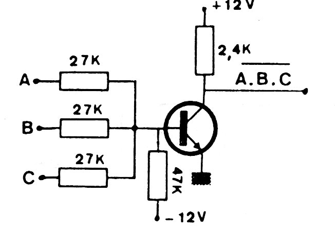
We show in the figure how to implement the No-AND or NAND logic function using a general-purpose transistor. The 47 k base resistors and collector can be changed to other supply voltages.
We found this circuit in documentation from the 90s. The circuit has a latch. The power supply must...
This receiver was obtained in a documentation from the 90's and is of the super-regenerative type....
We found this circuit in Radio Electronics magazine from October 1962. The article announced the...