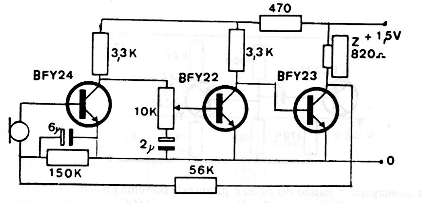
We found this amplifier for hearing aids or hearing aid using only transistors in a documentation from the 70s. The circuit can employ more common transistors such as the BC548 and the phone must be magnetic. The microphone is magnetic too. The feeding is done with a battery.




