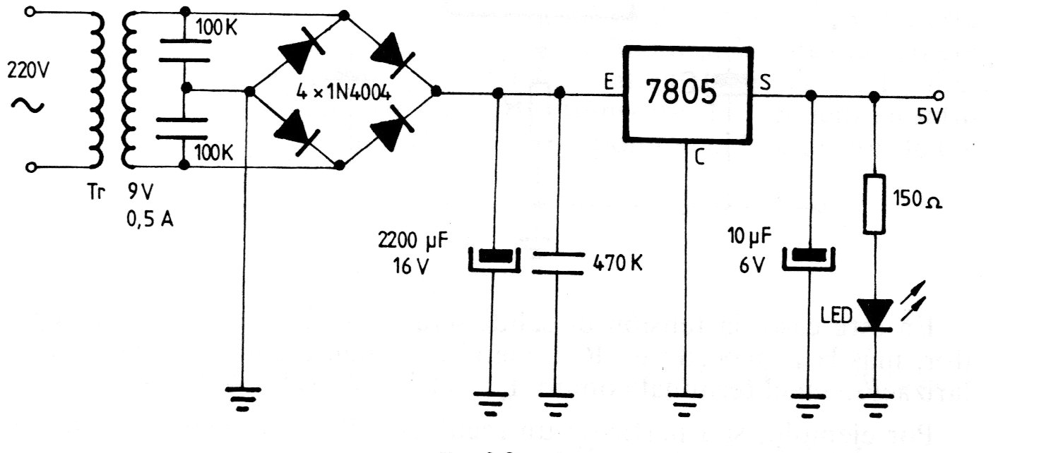
This is the traditional configuration of a 5 V supply with the 7805 for a current of 1 A. The transformer must have 1 A for maximum current in the CI which must be equipped with a heat sink. The circuit is from a technical documentation from the 80s.




