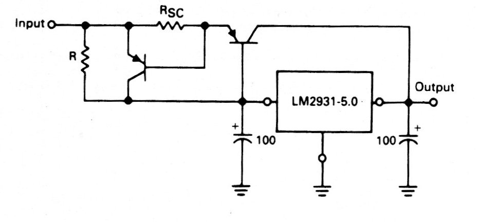
This regulator with current boost and short circuit protection was found in the LM2931 manual that is used in this case. The integrated circuit is not very common today.
This circuit is suggested by the National Semiconductor Linar Applications Handbook, controlling a DC motor...
This balance control for the channels of a stereo system was found in a 1969 Mullard...
This circuit produces the ticking of a clock on a common piezoelectric transducer. The circuit has an...