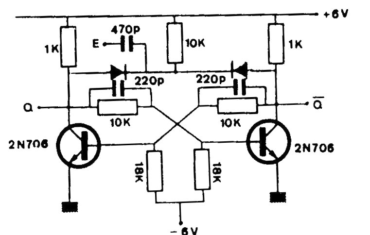
This conventional flip-flop configuration with two transistors was found in documentation from the 1980s. Transistor support equivalents.
This is the circuit for the HM-10ª, an instrument sold by Heathkit. The circuit is from a Radio...
This circuit indicates when the monitored voltage drops below the value determined by the divider...
This circuit, from a 1975 Motorola manual, uses a power Darlington transistor of the time. We can...