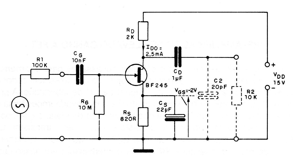
This circuit was obtained in an old European publication on FETs. The FET admits equivalent and the feed must have good filtration. Signal input cables and output cables must be shielded.
We found this circuit in the June 1992 issue of Radio Electronics magazine. The sensor is a common...
This circuit converts a positive CMOS supply voltage to a negative one. We found it in a 90s...
This tone control was obtained from the CA3140 datasheet, originally created by RCA. The CA3140...