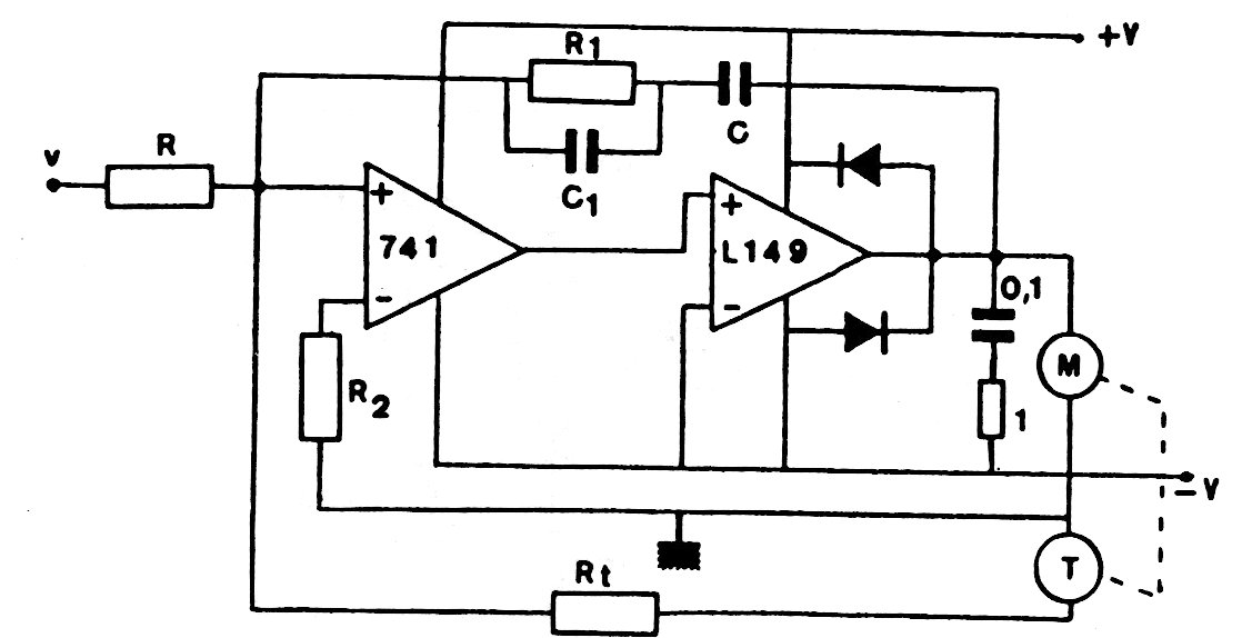
This control circuit for direct current motors uses a 741 and an operational one of unusual power today. The configuration can be adapted to use more modern components. The circuit is from old European documentation. Note that the power supply must be symmetrical.




