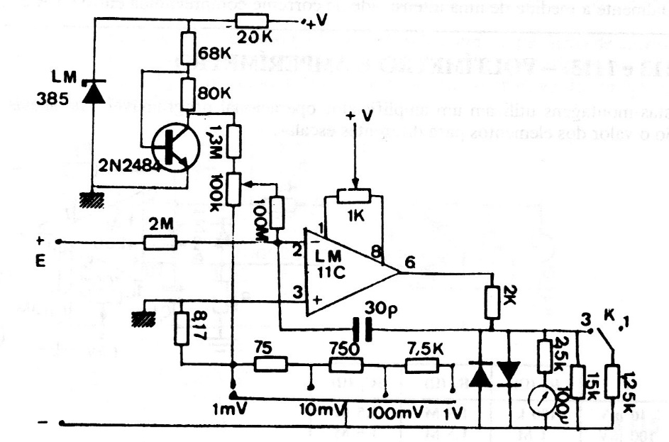
We found this circuit in an old European documentation. The operational amplifier that is not currently used can be replaced by more modern equivalents. The circuit uses an analog indicator that can be an ordinary low-cost analog multimeter.
We found this circuit in an old European documentation. The operational amplifier that is not currently used can be replaced by more modern equivalents. The circuit uses an analog indicator that can be an ordinary low-cost analog multimeter.