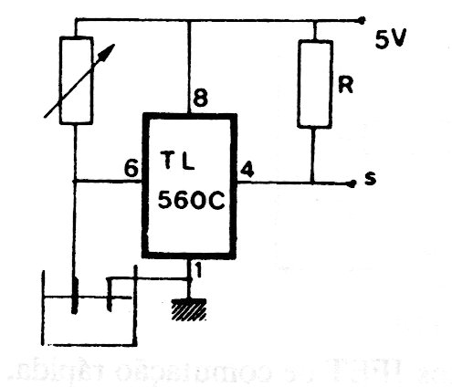
This circuit is used to detect the water level in a reservoir. It triggers the charge when the water touches the sensor electrodes. The circuit can be used as a shield, but the integrated one used is not common today.

This circuit is used to detect the water level in a reservoir. It triggers the charge when the water touches the sensor electrodes. The circuit can be used as a shield, but the integrated one used is not common today.
