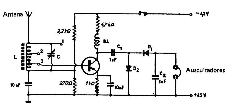
We found this circuit in a European publication from the 1970s. The transistor is made of germanium at the time and the high impedance magnetic phone. The antenna must be long and good ground is important. The coil is the same as the circuit (CB19592E). PNP germanium transistors of any type can be tested.




