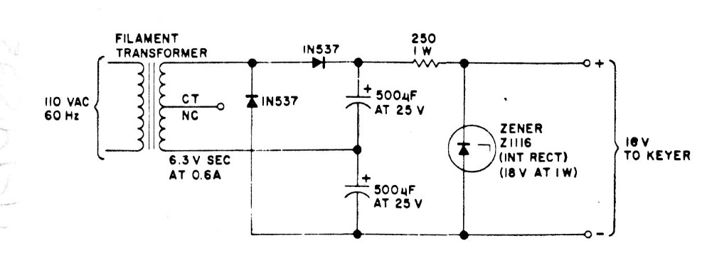
In the figure we have the way to obtain a voltage of 18 V from a 6.3 V transformer with central socket. The current depends on the transformer and the capacitors and the regulation is done by the zener diode.
In the figure we have the way to obtain a voltage of 18 V from a 6.3 V transformer with central socket. The current depends on the transformer and the capacitors and the regulation is done by the zener diode.