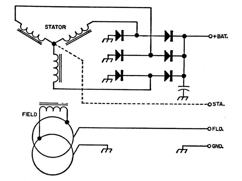
In the figure below we have the typical circuit of an automotive star alternator with the rectifier sector. The diodes depend on the current and the circuit is given as a reference for a Ford vehicle.
The original frequency of the Pierce Oscillator with bipolar transistor is given by the crystal, which...
This circuit was found in an American magazine in 1978. It activates a relay when the speed of a...
An interesting and useful configuration for the control of power loads is shown in the figure. In this...