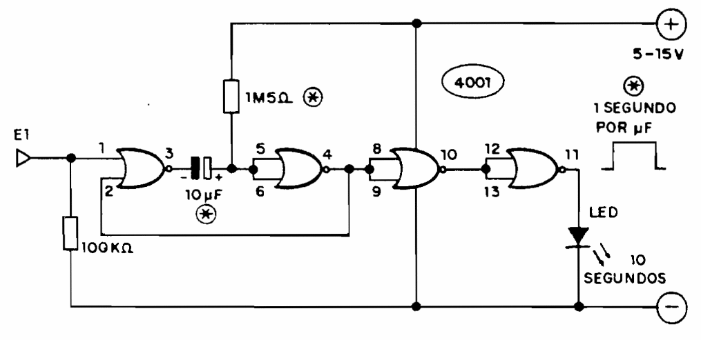
This experimental monostable CMOS circuit, activating an LED was found in a documentation from the 1980s. It is recommended to connect in series with the LED a limiting resistor of 470 ohms or more.
The original frequency of the Pierce Oscillator with bipolar transistor is given by the crystal, which...
This circuit was found in an American magazine in 1978. It activates a relay when the speed of a...
An interesting and useful configuration for the control of power loads is shown in the figure. In this...