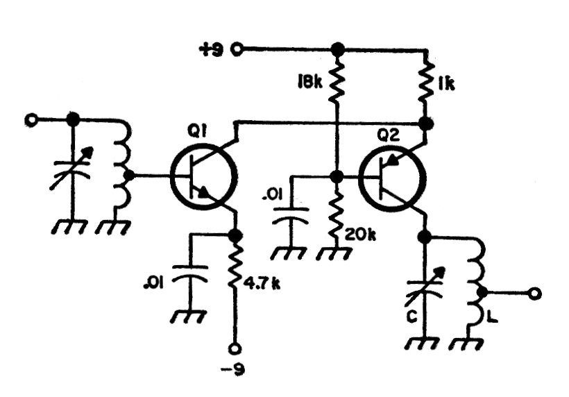
The transistors are 2N918, 2N3464 and other RF equivalents of the time for Q1. For Q2, 2N3399, 2N2894 and others can be used. The coils are depending on the frequency. The circuit operates at frequencies up to approximately 100 MHz or more if appropriate transistors are used.




