The maximum frequency of this circuit is 500 kHz. We found it in a documentation for radio amateurs from the 1980s. The integrated circuit used is uncommon today.
We found this complementary simetry configuration in a1980s documentation. Transistors, which are...
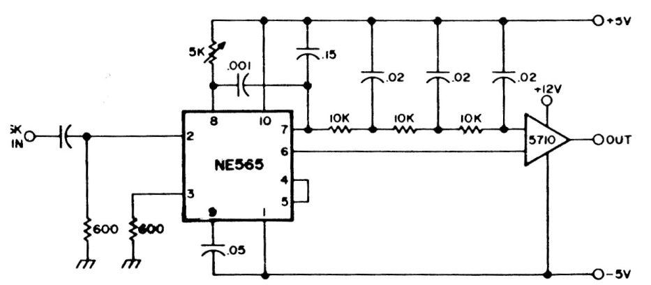
This circuit was obtained from the May 1971 issue of Radio Electronics magazine and is intended for...
This circuit acts as a VU-meter when connected at the output of any audio amplifier, triggering a...