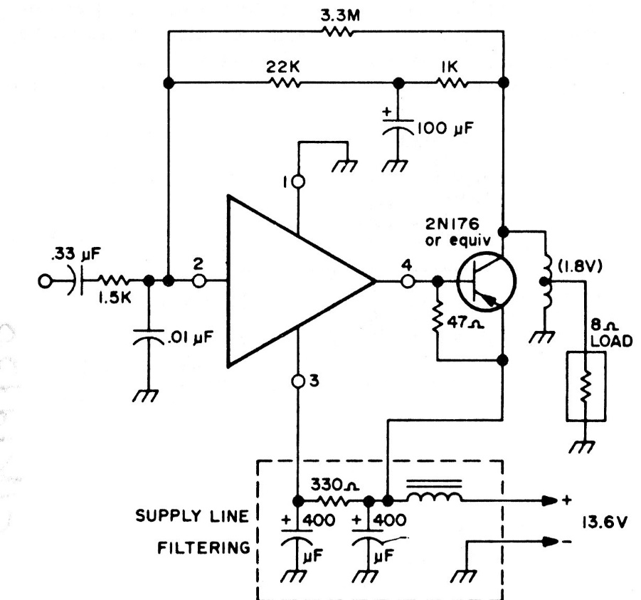
In this circuit, the integrated amplifier used is uncommon today. The circuit is from an American documentation from the 70's making use of a power transistor for output. A TIP32 can be used.
This 3-transistor circuit is from a 1963 publication. The transistors are from the time, but the...
This circuit incorporates the passive control of the previous circuit and was also found in the...
This voltage regulator was obtained in the SGS manual of linear integrated circuits of 1982. The...