This circuit aims to increase the selectivity of receivers whose FI is 455 kHz. The circuit is from 1975 documentation. The transistors can be the modern BF494 equivalents.
This circuit triggers an alarm when the mains power is cut off. The circuit was found in the July...
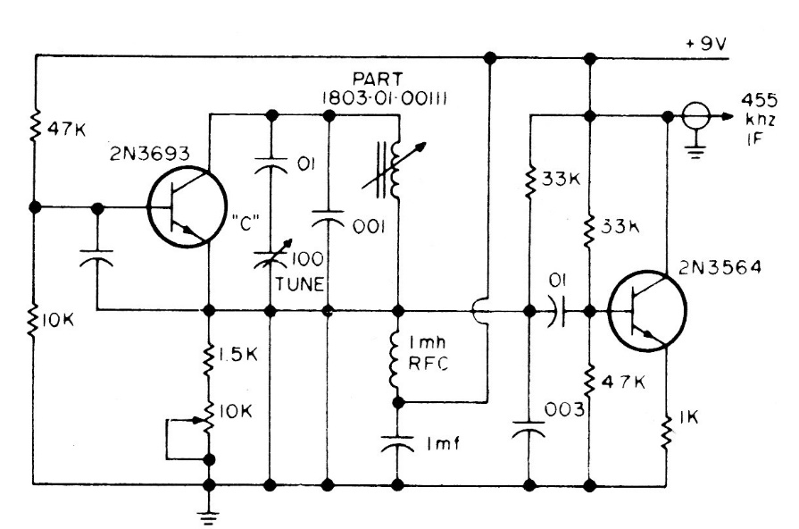
This acutely tuned circuit was found in American documentation from the 1960s. The transistors are germanium...
This small AM transmitter was found in American documentation from the 1980s. Transistor support...